Category: Fluorescence Microscope
Model:XJF200
Magnification: 40X--1000X
Transmitted light: 6V30W halogen lamp, adjustable brightness
Reflected light:100W/DC mercury lamp
1. Introduction
XJF200 Epifluorescent microscope is used for fluorescence microscopy and transmitted field observation. It is equipped with infinity plan
achromatic objectives and wide field eyepieces, have clear picture and wide view field. It is the ideal instrument in biology, cytology, oncology,
genetics, immunology etc. It also can be used in scientific research, universities, medical treatment, epidemic prevention etc.
Features:
▲ With wide field eyepieces and infinity plan achromatic objectives, the field of view is widely and clear
▲ Coaxial coarse/fine focus system, with tensional adjustable and up stop, minimum division of fine focusing: 2μm
▲ 20W 6V halogen lamp with electronic dimmer
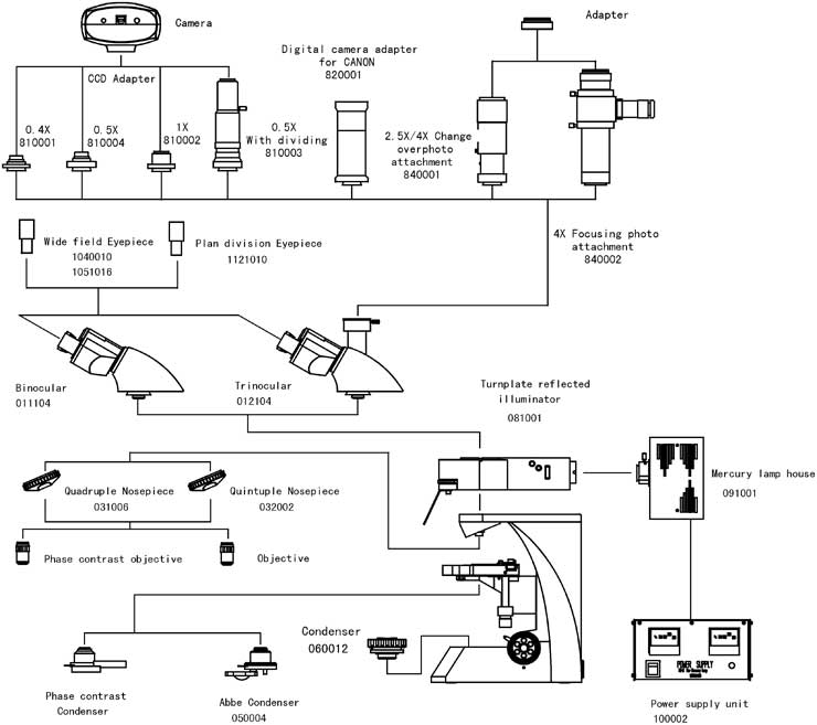
2. Structure
3. Imaging

XJF200 | |||
Eyepiece | WF10X/20mm | ● | |
WF10X/20mm with reticule, 0.10mm/Divide | ○ | ||
WF16X/11mm | ○ | ||
Quadruple(Backward ball bearing inner locating) | ● | ||
Quintuple(Backward ball bearing inner locating) | |||
Eyepiece tube | Trinocular (Inclination of 30°) | ● | |
Binocular(Inclination of 30˚) | |||
Objective | Infinity plan achromatic Objectives PL 4X/0.10 | ● | |
Infinity plan achromatic Objectives PL 10X/0.25 | ● | ||
Infinity plan achromatic Objectives PL 20X/0.40 | ○ | ||
Infinity plan achromatic Objectives PL 40X/0.65(Spring) | ● | ||
Infinity plan achromatic Objectives PL 100X/1.25(Spring, oil) | ● | ||
Phase contrast unit | Eyepiece | Centering telescope | ○ |
Objectives | Infinity phase contrast plan achromatic 10X/0.25 PHP | ○ | |
Infinity phase contrast plan achromatic 20X/0.40 PHP | ○ | ||
Infinity phase contrast plan achromatic 40X/0.65 PHP(Spring) | ○ | ||
Infinity phase contrast plan achromatic 100X/1.25 PHP(Spring, oil) | ○ | ||
(PH) Turnplate phase contrast condenser | ○ | ||
(PH) Turnplate phase contrast condenser | ○ | ||
Flashboard phase contrast condenser | ○ | ||
Pull board phase contrast condenser | ○ | ||
Stage | Double layer mechanical (Size:210mmX140mm, Move range: 75mmX50mm) | ● | |
Filter | Blue | ● | |
Frosted glass | ● | ||
Green | ○ | ||
Yellow | ○ | ||
Condenser | Abbe condenser NA.1.25 Rack & pinion adjustable | ● | |
Focus System | Coaxial coarse/fine focus, with tensional adjustable and up stop minimum division of fine focusing: 2μm. | ● | |
Reflected fluorescence system | Mercury lamp house 100W/DC | ● | |
Power supply unit:AV:110V or 220V | ● | ||
Fluorescence filter system B exciton wavelength:450~490nm | ● | ||
Fluorescence filter system G exciton wavelength:495~555nm | ● | ||
Fluorescence filter system UV exciton wavelength:320~380nm | ● | ||
Fluorescence filter system V exciton wavelength:380~415nm | ● | ||
Transmitted Illumination | Collector for halogen lamp | ● | |
6V 20W Halogen lamp ,adjustable brightness | ● | ||
C-Mount | 0.4X | ○ | |
0.5X | ○ | ||
1X | ○ | ||
0.5X with dividing 0.1mm/Div | ○ | ||
Camera | With USB & video output | ○ | |
With USB output | ○ | ||
With video output | ○ | ||
Digital camera adapter | CANON digital camera adapter(A610,A620,A630,A640) | ○ | |
Photograph unit | 2.5X/4X Change over photograph attachment with 10X viewing eyepiece | ○ | |
4X Focusing photograph attachment | ○ | ||
MD Adapter | ○ | ||
PK Adapter | ○ | ||
Weight/Volume | 15.6KGS/ 49.5*35*65CM | ||
Note: "●"In Table Is Standard outfits, "○" Is Optional Accessories.
Contact: Herry
NanJing KOZO Optical and Electronical Instrument Co.,Ltd
Sales Dep: 19E, DongYu Building, 18 ZhengHong Street, NanJing
Factory Add: A20 MuFu, 199 East Road MuFu, GuLou District, NanJing
Code: 210005 WeChat: 13357725973
Tel: 0086-25-84716665, 84715655, 84715659
Fax: 0086-25-84715556
Mail: sales@kozo-optics.com







